About 10,000 types of vacuum components in stock at all times.Business Hours: 9:00-18:00, excluding weekends and holidays

Product Category
  • Feedthrough Feedthrough
    Feedthrough
  • Isolator Isolator
    Isolator
  • Viewport Viewport
    Viewport
  • Vacuum Component Vacuum Component
    Vacuum Component
  • Vacuum Valve Vacuum Valve
    Vacuum Valve
  • Motion Feedthroughs Motion Feedthroughs
    Motion Feedthroughs
  • Others Others
    Others

ICF-NW / KF standard conversion cross SUS

ICF-NW / KF standard conversion cross SUS

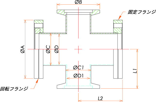
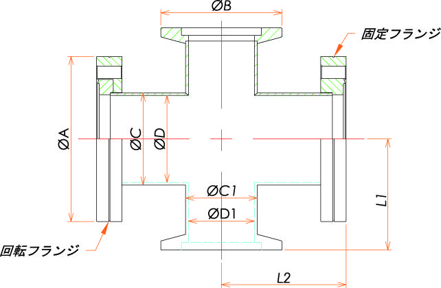
▼ICF-NW/KF Standard Conversion Cross
Standard conversion cross where ICF and NW/KF intersect perpendicularly
ICF flange fastening method: Bolted
Bolt holes: Drilled type (through holes)
For NW flange connections, also select centering or clamps

▼Cross piping is standardized in the following types (List)
Flange size (ICF): 34, 70
Flange size (NW): 16, 25, 40
Material: SUS304

▼Other
Various pipe fittings such as elbows, crosses, and adapters are available in a wide range of sizes Various Pipe Fittings
We can accommodate requests for changes in material or flange size. Please contact us via the "Contact Us" button on the right side of the page.

Request precision cleaning here

see next
Basic Information
Main materials SUS 304
The inner surface processing Buff 400 (equivalent to Ra 1.0
Flange material SUS 304
RoHS2 corresponding
Inquiry for this subcategory

We have 6 type candidate

※ Please click on the product code or model for more information.

front.product.product_code
Model
ICF NW/KF A B C D C1 D1 L1 L2
Stock & Delivery
front.product.price
front.product.tax_included2
34 16 34 30 19 16 19 16 25 38
34 25 34 40 19 16 19 16 25 38
70 16 70 30 42.7 39.4 20 16 36.8 54
70 25 70 40 42.7 39.4 27.2 24 36.8 54
70 40 70 55 42.7 39.4 42.7 39 47 64
70 40 70 55 42.7 39.4 42.7 39 36.8 54
ICF NW/KF A B C D C1 D1 L1 L2
ICF-NW/KF 規格変換クロス SUS admin.label.item.catalog_image
ZICF70/NW40EXX
ICF70配管が短いため、NW40クランプに干渉せずに接続可能なアイテムを付属しております。

・規格変換クロス本体 1個
・ICF70 プレートナット 6個
・M6xL30六角ボルト 12本
・M6ワッシャー 12枚
・NW40 クランプ 2点式 1個
Shipping accepted on the day on orders until 17:00 Hours 9:00 to 18:00 except Saturdays, Sundays, and holidays
Contact Us
Please fill in the form below.
After confirming the content of your enquiry,
a representative will contact you.

To use this service, please login or register as a member.

Not a member yet?

Registering as a member gives you access to a number of useful features.

ぜひご登録ください!

※ Please note that it may take several days after applying for a member registration until the registration is complete. Please note that we reserve the right to refuse your application at our discretion.