About 10,000 types of vacuum components in stock at all times.Business Hours: 9:00-18:00, excluding weekends and holidays

Product Category
  • Feedthrough Feedthrough
    Feedthrough
  • Isolator Isolator
    Isolator
  • Viewport Viewport
    Viewport
  • Vacuum Component Vacuum Component
    Vacuum Component
  • Vacuum Valve Vacuum Valve
    Vacuum Valve
  • Motion Feedthroughs Motion Feedthroughs
    Motion Feedthroughs
  • Others Others
    Others

port aligner

port aligner

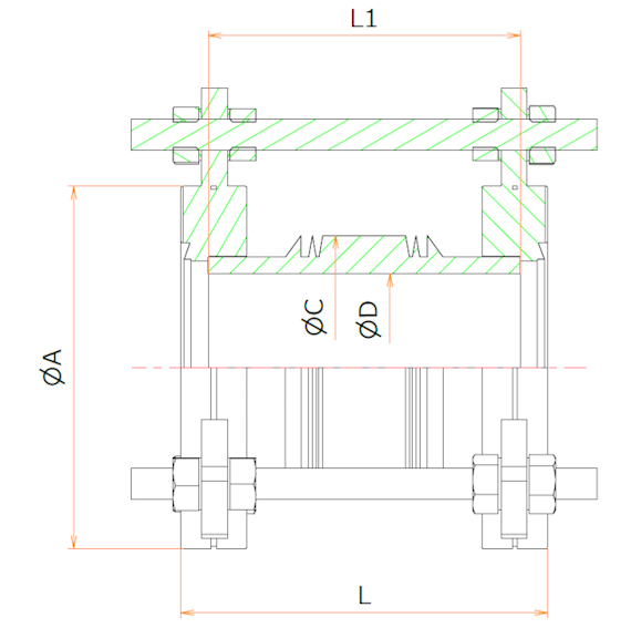
▼ Port aligner
Bellows piping with position adjustment function
Can be fixed at any length with tie rods on the side.
Prevents unintentional shrinkage during positioning and vacuuming.
Expansion/contraction: 20mm (axial direction)

▼Others
If you have any questions about our products, please feel free to contact us from the "Inquiry" button.

For precision cleaning requests, please click here.

see next
Basic Information
Flange material SUS 304
Flexible / bellows SUS 316L
life cycle 10000 cycle
RoHS2 corresponding
Inquiry for this subcategory

We have 1 type candidate

※ Please click on the product code or model for more information.

front.product.product_code
Model
ICF A C D L L1
Stock & Delivery
front.product.price
front.product.tax_included2
70 70 51 37 75 64.4
ICF A C D L L1
ポートアライナー admin.label.item.catalog_image
Shipping accepted on the day on orders until 17:00 Hours 9:00 to 18:00 except Saturdays, Sundays, and holidays
Contact Us
Please fill in the form below.
After confirming the content of your enquiry,
a representative will contact you.

To use this service, please login or register as a member.

Not a member yet?

Registering as a member gives you access to a number of useful features.

ぜひご登録ください!

※ Please note that it may take several days after applying for a member registration until the registration is complete. Please note that we reserve the right to refuse your application at our discretion.